Guide profilate - Standard di precisione delle guide profilate MISUMI
Cosa rende una guida profilata con una guida lineare la prima scelta per un controllo del movimento preciso e resistente? Nel nostro blog, è possibile trovare tutte le informazioni sul design, sulle diverse versioni, sulle tolleranze dimensionali e sui parametri chiave, come il parallelismo di funzionamento, il precarico e il gioco assiale. Mostriamo come queste caratteristiche interagiscono perfettamente per garantire la massima precisione e durata e come è possibile abbinare al meglio questi componenti alle proprie esigenze.
Struttura e proprietà delle guide profilate
Le guide profilate, con forma di guida lineare, sono sistemi di guida meccanici utilizzati in molte macchine e attrezzature per fornire un movimento lineare preciso. Sono caratterizzate da elevata capacità di carico, rigidità e precisione. Le guide lineari sono disponibili in varie configurazioni che differiscono per principio di funzionamento e design. I tipi più comuni si basano su elementi rotanti, tipicamente sfere o rulli, che consentono un basso attrito e un movimento ad alta precisione.
Le guide lineari sono costituite da un binario profilato, un carrello e gli elementi rotanti in esse contenuti. Il binario profilato funge da guida precisa e lineare ed è realizzato in acciaio temprato per garantire carichi elevati e una vita utile.
Sui binari ci sono delle vie rettilinee che entrano in contatto con gli elementi rotanti del carrello. Il carrello che si muove lungo il binario è l’unità mobile della guida. Contiene le gabbie a sfera e le unità di ricircolo in cui sono disposti gli elementi rotanti. Gli elementi rotanti consentono un movimento quasi privo di attrito. Più basso è l’attrito, più silenzioso e preciso sarà il movimento. La scelta della superficie corretta del componente influenza in modo significativo l’attrito e la precisione delle guide profilate.
Quando si seleziona una guida profilata, è necessario considerare diversi aspetti in aggiunta alla precisione richiesta. Per ulteriori informazioni sul processo di selezione e sui parametri da considerare, fare riferimento alla voce del nostro blog su Guide profilate - Guida alla selezione di guide lineari.
Versioni delle guide profilate
Le guide profilate sono disponibili in varie versioni, come versioni miniaturizzate o versioni per carichi medi e pesanti. Si differenziano principalmente in termini di costruzione, capacità di carico e applicazione, ma anche in termini di altre caratteristiche specifiche. Alcune versioni sono particolarmente adatte, a seconda delle condizioni di funzionamento, come carichi elevati o ambienti difficili.
Guida lineare miniaturizzata
Le guide lineari miniaturizzate, note anche come guide per guide profilate miniaturizzate, sono più piccole e più compatte rispetto alle guide profilate convenzionali. Sono ideali per spazi ristretti e applicazioni con spazio limitato. Grazie alla loro capacità di carico inferiore, le guide lineari miniaturizzate sono progettate per carichi da piccoli a medi.
Esempio di illustrazione di una guida lineare miniaturizzata:
(1) Guarnizione laterale, (2) Unità di ricircolo in plastica, (3) Carrello, (4) Guida lineare, (5) Sfera, (6) Gabbia a sfera (filo)
Guida profilata per carichi medi e alti
Queste guide profilate possono sopportare carichi e momenti più elevati. Sono più robuste e sono progettate per resistere a carichi statici e dinamici elevati.
Illustrazione di esempio di una guida profilata per carichi medi e alti:
(1) Guarnizione laterale, (2) Unità di ricircolo in plastica, (3) Carrello, (4) Guida lineare, (5) Sfera, (6) Gabbia a sfera, (7) Guarnizione di rivestimento, (8) Gabbia a sfera inferiore, (9) Gabbia a sfera centrale, (10) Gabbia a sfera superiore
Guide profilate economiche
I prodotti economici e i prodotti standard differiscono principalmente concentrandosi su diverse priorità che bilanciano costi, prestazioni e qualità. I prodotti economici sono specificamente progettati per fornire la soluzione più conveniente per esigenze specifiche. Questo spesso elimina le proprietà altamente personalizzate o sovradimensionate che non sono necessarie per l’applicazione target. I prodotti standardizzati, d’altra parte, si rivolgono a una gamma più ampia di applicazioni e generalmente soddisfano gli standard stabiliti o le aspettative del mercato. Sono progettati per soddisfare una vasta gamma di clienti e applicazioni.
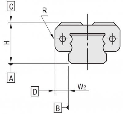
Precisione e accuratezza delle dimensioni delle guide profilate
La precisione delle guide profilate si riferisce alla precisa aderenza a dimensioni e parametri geometrici definiti che sono fondamentali per la loro funzione, il loro montaggio e le loro prestazioni. La precisione è una caratteristica di qualità essenziale di una guida profilata, che assicura che un sistema di guida funzioni senza intoppi soddisfacendo al contempo gli elevati requisiti di precisione e ripetibilità in varie applicazioni.
- A - superficie di riferimento inferiore (rotaia)
- B - superficie di riferimento laterale (rotaia)
- C - superficie di riferimento superiore (carrello guida)
- D - superficie di riferimento laterale (carrello guida)
- H - altezza
- R - lato di riferimento
- W2 - larghezza
Le guide profilate vengono utilizzate in una varietà di applicazioni che richiedono una guida e un posizionamento precisi. Ad esempio, sono comunemente utilizzate in macchine utensili, sistemi di automazione o sistemi robotici. La precisione di una guida lineare è in gran parte determinata dalle tolleranze di fabbricazione e dall’accoppiamento del carrello guida e del binario. L’aderenza alle tolleranze di forma e posizione è essenziale per un’elevata precisione e rigidità delle guide lineari. In particolare, l’altezza verticale (H) tra la superficie di riferimento del binario A e la superficie superiore del carrello guida C, nonché la posizione laterale (W2) tra le superfici di riferimento laterali del binario B e del carrello D sono di importanza cruciale. Mentre l’altezza H influisce sulla precisione e sulla stabilità verticale, la deviazione di larghezza W2 definisce la precisione laterale e l’uniformità della guida.
| Campo di misura | Prodotto regolare (tradizionale) | Prodotto economico | ||
|---|---|---|---|---|
| Classe di precisione (Alta) |
Classe di precisione (Media) |
Classe di precisione (Standard) |
||
| Tolleranza, altezza H | ±10 | ±20 | ±20 | ±40 |
| Altezza h (varianza abbinata)* | 7 | 15 | 40 | 30 |
| Tolleranza, larghezza L2 | ±15 | ±25 | ±25 | ±40 |
| Deviazione dalla L2 (varianza abbinata)** | 10 | 20 | 40 | 30 |
| Campo di misura | Classe di precisione (Media) |
Classe di tolleranza universale (carrello e rotaie sono intercambiabili) |
Classe di precisione (Standard) |
Prodotto economico | ||||||||||||||||||||||||||||||||||||||||||||||||||||||||||||||||||||||||||||||||||||||||||||||||||
|---|---|---|---|---|---|---|---|---|---|---|---|---|---|---|---|---|---|---|---|---|---|---|---|---|---|---|---|---|---|---|---|---|---|---|---|---|---|---|---|---|---|---|---|---|---|---|---|---|---|---|---|---|---|---|---|---|---|---|---|---|---|---|---|---|---|---|---|---|---|---|---|---|---|---|---|---|---|---|---|---|---|---|---|---|---|---|---|---|---|---|---|---|---|---|---|---|---|---|---|---|---|---|
| Tolleranza, altezza H | ±40 | ±20 | ±100 | ±120 | ||||||||||||||||||||||||||||||||||||||||||||||||||||||||||||||||||||||||||||||||||||||||||||||||||
| Altezza h (varianza abbinata)* | 15 | 15 | 20 | 40 | ||||||||||||||||||||||||||||||||||||||||||||||||||||||||||||||||||||||||||||||||||||||||||||||||||
| Tolleranza, larghezza L2 | ±20 | ±30 | ±100 | ±100 | ||||||||||||||||||||||||||||||||||||||||||||||||||||||||||||||||||||||||||||||||||||||||||||||||||
| Deviazione da L2 (varianza abbinata della dimensione di base H)** | 24, 28 | 15 | 25 | 20 | 40 | |||||||||||||||||||||||||||||||||||||||||||||||||||||||||||||||||||||||||||||||||||||||||||||||||
| 33, 42 | 15 | 25 | 30 | 40 | ||||||||||||||||||||||||||||||||||||||||||||||||||||||||||||||||||||||||||||||||||||||||||||||||||
| 30, 36, 40, 42 | - | 25 | - | 40 | ||||||||||||||||||||||||||||||||||||||||||||||||||||||||||||||||||||||||||||||||||||||||||||||||||
| ||||||||||||||||||||||||||||||||||||||||||||||||||||||||||||||||||||||||||||||||||||||||||||||||||||||
Esecuzione del parallelismo delle guide profilate
L’esecuzione del parallelismo delle guide profilate descrive la precisione con cui il carrello si muove lungo il percorso del binario guida. Questo non solo tiene conto del tracciamento laterale, ma anche dell’esecuzione del parallelismo in altezza. Viene misurato rispetto a una superficie di riferimento standard quando il binario di guida viene saldamente avvitato in posizione. Viene misurata la deviazione relativa del valore sull’intera corsa del carrello sul binario. La deviazione massima del valore misurato dal valore atteso (valore target) riflette il parallelismo di tracciamento. Più bassa è questa deviazione, maggiore sarà la precisione. Questa funzione è fondamentale per le applicazioni che richiedono alta precisione e ripetibilità, poiché anche piccole deviazioni possono influire sulla funzione o sulla qualità del sistema complessivo.
|
Figura a sinistra: deviazione relativa della superficie C nella parte superiore del carrello guida rispetto alla superficie A nella parte inferiore del binario |
Figura a destra: deviazione relativa della superficie di riferimento D del carrello guida rispetto alla superficie di riferimento B del binario |
Il parallelismo di tracciamento si riferisce alla deviazione del carrello dal percorso ideale di controllo del movimento. Si tratta di un aspetto di qualità essenziale delle guide profilate, su cui influiscono in modo significativo la produzione, il montaggio e il pavimento. Questa deviazione è solitamente specificata in micron (μm).
| Esecuzione del parallelismo Unità: μm |
Modello in miniatura per carichi ordinari | Tipo regolare per carichi medi/alti | ||||||||||||||||||||||||||||||||||||||||||||||||||||||||||||||||||||||||||||||||||||||||||||||||||||
|---|---|---|---|---|---|---|---|---|---|---|---|---|---|---|---|---|---|---|---|---|---|---|---|---|---|---|---|---|---|---|---|---|---|---|---|---|---|---|---|---|---|---|---|---|---|---|---|---|---|---|---|---|---|---|---|---|---|---|---|---|---|---|---|---|---|---|---|---|---|---|---|---|---|---|---|---|---|---|---|---|---|---|---|---|---|---|---|---|---|---|---|---|---|---|---|---|---|---|---|---|---|---|
| Prodotto regolare (tradizionale) | Prodotto economico | Prodotto regolare (tradizionale) | Prodotto economico | |||||||||||||||||||||||||||||||||||||||||||||||||||||||||||||||||||||||||||||||||||||||||||||||||||
| Classe di precisione | Alta | Media | Standard | - | Media | Intercambiabile* | Standard | - | ||||||||||||||||||||||||||||||||||||||||||||||||||||||||||||||||||||||||||||||||||||||||||||||
| Lunghezza della guida (mm) | - | ≤50 | 2 | 3 | 13 | 13 | 7 | 6 | 7 | 10 | ||||||||||||||||||||||||||||||||||||||||||||||||||||||||||||||||||||||||||||||||||||||||||||
| >50 | ≤80 | 2 | 3 | 13 | 13 | 7 | 6 | 7 | 10 | |||||||||||||||||||||||||||||||||||||||||||||||||||||||||||||||||||||||||||||||||||||||||||||
| >80 | ≤125 | 3 | 7 | 15 | 15 | 7 | 6.5 | 7 | 10 | |||||||||||||||||||||||||||||||||||||||||||||||||||||||||||||||||||||||||||||||||||||||||||||
| >125 | ≤200 | 3 | 7 | 15 | 15 | 7 | 7 | 7 | 10 | |||||||||||||||||||||||||||||||||||||||||||||||||||||||||||||||||||||||||||||||||||||||||||||
| >200 | ≤250 | 3.5 | 9 | 17 | 17 | 7 | 8 | 7 | 10 | |||||||||||||||||||||||||||||||||||||||||||||||||||||||||||||||||||||||||||||||||||||||||||||
| >250 | ≤315 | 4 | 11 | 18 | 18 | 8 | 9 | 12 | 10 | |||||||||||||||||||||||||||||||||||||||||||||||||||||||||||||||||||||||||||||||||||||||||||||
| >315 | ≤400 | 5 | 11 | 18 | 18 | 8 | 11 | 12 | 12 | |||||||||||||||||||||||||||||||||||||||||||||||||||||||||||||||||||||||||||||||||||||||||||||
| >400 | ≤500 | 5 | 12 | 19 | 19 | 9 | 12 | 14 | 13 | |||||||||||||||||||||||||||||||||||||||||||||||||||||||||||||||||||||||||||||||||||||||||||||
| >500 | ≤630 | 6 | 13.5 | 21 | 21 | 11 | 14 | 18 | 15 | |||||||||||||||||||||||||||||||||||||||||||||||||||||||||||||||||||||||||||||||||||||||||||||
| >630 | ≤800 | 6 | 14 | 21.5 | 21.5 | 13 | 16 | 21 | 17 | |||||||||||||||||||||||||||||||||||||||||||||||||||||||||||||||||||||||||||||||||||||||||||||
| >800 | ≤1000 | - | 14.5 | 18 | 23 | 19 | ||||||||||||||||||||||||||||||||||||||||||||||||||||||||||||||||||||||||||||||||||||||||||||||||
| >1000 | ≤1250 | - | 16 | 20 | 25 | 22 | ||||||||||||||||||||||||||||||||||||||||||||||||||||||||||||||||||||||||||||||||||||||||||||||||
| >1250 | ≤1600 | - | - | 23 | 27 | 23 | ||||||||||||||||||||||||||||||||||||||||||||||||||||||||||||||||||||||||||||||||||||||||||||||||
| >1600 | ≤2000 | - | - | 26 | 28.5 | 24 | ||||||||||||||||||||||||||||||||||||||||||||||||||||||||||||||||||||||||||||||||||||||||||||||||
| ||||||||||||||||||||||||||||||||||||||||||||||||||||||||||||||||||||||||||||||||||||||||||||||||||||||
Il giusto precarico delle guide lineari
Gioco assiale e precarico sono termini chiave per le guide lineari che influenzano la precisione, la rigidità e il comportamento del sistema durante il movimento. Il gioco assiale si riferisce alla piccola quantità di movimento libero che il carrello ha lungo la guida lineare prima che gli elementi rotanti entrino in contatto con le vie. Si tratta di un movimento relativo che può derivare da tolleranze di produzione o errori di montaggio. Il gioco assiale riduce la precisione di posizionamento e la rigidità della guida.
Il precarico è lo sforzo intenzionale di pressione sugli elementi rotanti di una guida profilata per evitare qualsiasi gioco assiale. Ciò si ottiene mediante uno stretto contatto tra gli elementi rotanti e i binari. I punti di contatto tra le sfere e i binari determinano le forze che agiscono sulle sfere e quindi le caratteristiche di movimento del sistema. Piccoli cambiamenti nel diametro delle sfere influenzano la posizione delle stesse all’interno dei binari.
In generale, la scelta di un precarico adatto ha molti effetti positivi sulle prestazioni della guida profilata. Aiuta a rendere il sistema più preciso eliminando la libertà di movimento indesiderata. La distribuzione più uniforme del carico sugli elementi rotanti riduce anche l’usura, che a sua volta ha un effetto positivo sulla vita utile della guida.
| Versione | Tipo di prodotto | Precarico | Dimensioni (valore per altezza H) |
Gioco radiale (μm) |
|---|---|---|---|---|
| Modello in miniatura per carichi ordinari | Prodotto regolare (tradizionale) | Precarico leggero | 6–20 | Da -3 a 0 |
| Gioco leggero | Da 0 a +15 | |||
| Prodotto economico | Gioco normale | Da -3 a +7 | ||
| Tipo regolare per carichi medi/alti | Prodotto regolare (tradizionale) | Gioco normale | 24 | Da -4 a +2 |
| 28 | Da -5 a +2 | |||
| 33 | Da -6 a +3 | |||
| Intercambiabile*, precarico leggero | 24, 28 | Da -4 a 0 | ||
| 30, 36, 40, 42 | Da -5 a 0 | |||
| **42 | Da -7 to 0 | |||
| Prodotto economico | Gioco normale | 24 | Da -4 a +4 | |
| 28, 30 | Da +5 a +5 | |||
| 33, 36, 40 | Da -6 a +6 | |||
| 45 | Da -7 a +7 |
Guide profilate MISUMI
MISUMI offre guide profilate di alta qualità con elementi rotanti che possono essere personalizzati. Uno speciale strumento di configurazione consente di scegliere tra diversi supporti di carico e momento, design di carrelli personalizzati, altezze di montaggio flessibili e diverse classi di precisione. I binari sono disponibili anche in lunghezze e larghezze variabili per soddisfare al meglio le esigenze di spazio e del progetto individuale. MISUMI permette di progettare la soluzione perfetta per la propria applicazione.
I nostri carrelli guida e binari sono fabbricati come set perfettamente abbinati e quindi conformi in modo affidabile alla loro spaziatura radiale specifica (precarico) e alle tolleranze definite. Questa corrispondenza precisa garantisce che i carrelli guida e i binari siano armonizzati in modo ottimale e che i parametri di prestazione desiderati come rigidità, capacità di carico e precisione siano pienamente soddisfatti. È quindi essenziale utilizzare sempre il set di carrelli guida con le rotaie abbinate, per garantire il funzionamento e la qualità della guida profilata. Ciò esclude i prodotti fabbricati in una classe di tolleranza universale ed esplicitamente contrassegnati come “intercambiabili”. Questi sono progettati per funzionare entro le tolleranze specificate indipendentemente dalla combinazione di rotaia e carrello guida, consentendo così un uso flessibile.
Per informazioni sul montaggio e la manutenzione delle guide profilate, vedere il nostro blog Guide profilate - Montaggio e manutenzione delle guide lineari.