Registrati
Configura
91%
  • Con dado
  • Profilo flangia
  • Grado di precisione

    Si prega di verificare gli standard di precisione di ciascun produttore

  • D.E. albero vite (φ)
  • Piombo (mm)
  • Precarico

    Si prega di verificare gli standard di precisione di ciascun produttore

  • Gioco assiale
  • Numero di circuiti (File x Avvolgimenti)
  • Lunghezza complessiva albero L (mm)
      [100-210/1mm unità]
    • Tipo di grasso
    • Tipo
    • CAD
    • Giorni di spedizione est.
      • Tutti
      • Entro 7 giorni lavorativi

    Opzioni aggiuntive

    • Senza lavorazione sull'estremità dell'albero lato supporto
    • Inversione orientamento dado sfera
    • Senza gola per anello di sicurezza sull'estremità dell'albero lato supporto
    • Modifica lunghezza estremità albero lato supporto [FC] (mm)
        [10-20/1mm unità]
      • Lavorazione sede chiavetta sull'estremità albero lato fisso [KC] (mm)
          [3-9/1mm unità]
        • Sede chiavetta sull'estremità albero lato fisso
        • K (mm)
            [3-8/1mm unità]
          • S (mm)
              [1-6/1mm unità]
            • Sede vite di fermo sull'estremità albero lato fisso [SC](1 posiz.) (mm)
                [5-9/1mm unità]
              • Sede vite di fermo sull'estremità albero lato fisso [SWC](2 posizioni) (mm)
                  [5-9/1mm unità]
                • Sede vite di fermo sull'estremità albero lato fisso [SGC](2 posizioni) (mm)
                    [5-9/1mm unità]

                  Viti a ricircolo di sfere / flangia compatta, flangia quadrata / diametro 6, 8 / passo 1, 2 / C3, C5, C7 / precaricate, 5µ, 30µ / acciaio / 58-62HRC

                  Codice componente:

                  BSS0802-[100-210/1]
                  Cancella
                  Quantità:

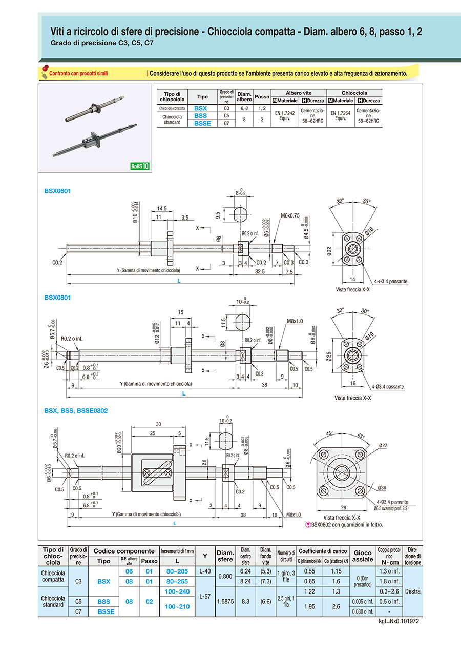
                  Disegno schematico e tabella delle specifiche

                  Viti a ricircolo di sfere di precisione/Diametro albero 6 o 8, passo 1 o 2:Immagine relativa
                  Tipo di chiocciolaTipoGrado di precisioneDiam. alberoPassoAlbero viteChiocciola
                  MaterialeDurezzaMaterialeDurezza
                  Chiocciola compattaBSXC36, 81, 2EN 1.7242 Equiv.Cementazione
                  58~62HRC
                  EN 1.7264 Equiv.Cementazione
                  58~62HRC
                  Chiocciola standardBSSC582
                  BSSEC7

                  Specifiche

                  Codice componente-L 
                  BSX0601
                  BSS0802
                  BSS0802L
                  BSS0802G
                  -
                  -
                  -
                  -
                  185
                  200
                  210
                  210
                  (Grasso tipo L)
                  (Grasso tipo G)

                  Tipo di chiocciolaGrado di precisioneCodice componenteIncrementi di 1mmYDiam. sfereDiam.
                  centro sfere
                  Diam. fondo viteNumero di circuitiCoefficiente di caricoGioco assialeCoppia precarico
                  N • cm
                  Direzione di torsione
                  TipoD.E. albero vitePassoLC (dinamico) kNCo (statico) kN
                  Chiocciola
                  compatta
                  C3BSX060180~205L-400.800 6.24(5.3)1 giro, 3 file0.551.150 (Con precarico)1.3 o inf.Destra
                  080180~255L-578.24(7.3)0.651.61.8 o inf.
                  Chiocciola
                  standard
                  0802100~2401.58758.3(6.6)2.5 giri, 1 fila1.221.30.3~2.6
                  C5BSS100~2101.952.60.005 o inf.0.5 o inf.
                  C7BSSE0.030 o inf.-
                  kgf=Nx0.101972

                  Varianti

                  Viti a ricircolo di sfere di precisione/Diametro albero 6 o 8, passo 1 o 2:Immagine relativa

                  Elenco numeri di parte

                  Numero di articoli
                  Codice componente
                  BSS0802-[100-210/1]

                  Con dado

                  Profilo flangia

                  Grado di precisione

                  D.E. albero vite

                  (φ)

                  Piombo

                  (mm)

                  Precarico

                  Gioco assiale

                  Sistema circuito

                  Numero di circuiti

                  (File x Avvolgimenti)

                  Lunghezza complessiva albero L

                  (mm)

                  Coefficiente di carico dinamico base

                  (N)

                  Coefficiente di carico statico base

                  (N)

                  Tipo di grasso

                  Trattamento superficie albero della vite

                  RoHS?Quantità minima d'ordine
                  Dadi standard
                  Profilo quadrato
                  C5
                  8
                  2
                  Senza precarico
                  0.005 o inferiore
                  Tipo di tubo
                  1 x 2.5
                  100 - 210
                  1950
                  2600
                  Standard
                  -
                  10
                  1 pezzi
                  Prezzo unitario (IVA esclusa)(Prezzo unitario IVA inclusa)
                  Giorni spedizione standard
                  -
                  (
                  -
                  )
                  7 giorni lavorativi

                  Ulteriori informazioni

                  Informazioni di base

                  BSS,BSSE,BSX

                  Schema e specifiche

                  Più Informazioni

                  Viti a ricircolo di sfere di precisione/Diametro albero 6 o 8, passo 1 o 2:Immagine relativa